Introduction
This module is the most complex module in JOCLoudness monitoring system. The main task of this module is to do reports based on the data collected by other modules.
Available reports
Using this application you can do easily the following reports:
- Report by captures: The application shows all capture chunks of the selected channel. You have to select one (or more) and click show to see the Loudness graph of the selected period. If you want you can trim the first and last chunk.
- Report by dates (with asrun data merged): Only putting the start date and end date the module shows a loudness graph of the selected channel. If exists asrun data of that period is automatically merged with Loudness graph.
- Report by I loudness level: You can find into the database the broadcast sessions of items that satisfy the following conditions:
- Selected channel
- Inside selected broadcast period
- I loudness of item [LUFS] > Val [LUFS] OR I loudness [LUFS] < Val [LUFS] OR Min Val [LUFS] < I loudness [LUFS] < max Val [LUFS]
Screenshots
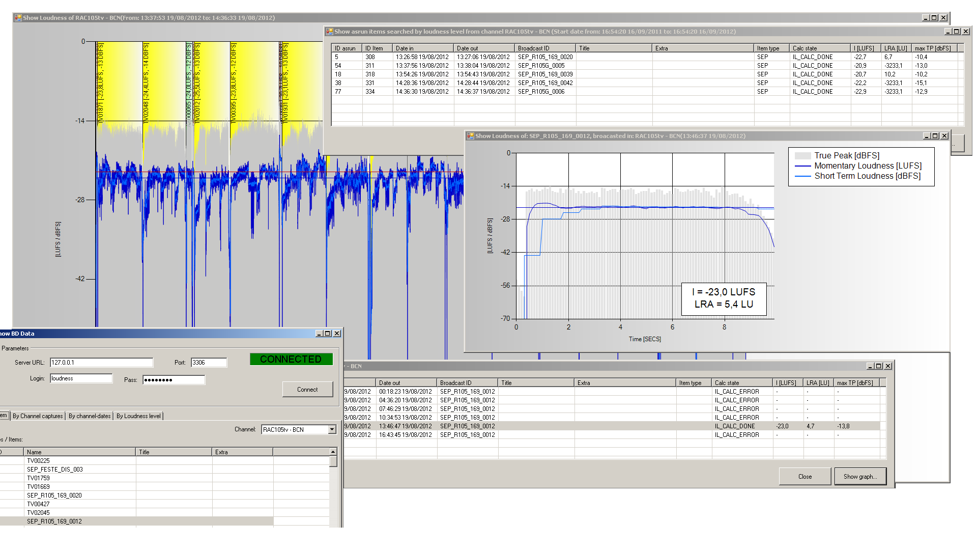
To start working the module only needs the DB parameters: URL or IP, port, login and pass.

With this module you can open at the same time as many reports or graphs as you want, you can see it in the following figure:

Loudness graph screenshots
In the following figure you can see a simple guide to understand the Loudness graphs showed by this module:


Reports screenshots




